Célula de Carga - BRD

As células de carga mod. BRD foram desenvolvidas para pesagem de caçambas de veículos e máquinas agrícolas, em severas condições de trabalho. Aceitam esforços de torção e flexão sobrepostos ao peso, em proporções que seriam impraticáveis com os modelos convencionais, sem alterar significativamente os resultados de medição. A montagem é muito simples e não há necessidade de suportes especiais, basta fixar à estrutura e a carga por luvas com parafusos passantes. A sensibilidade é pré-calibrada em fábrica dentro de (+/- 0,1%), permitindo a montagem em campo sem necessidade de ajustes trabalhosos. A compensação do zero e da sensibilidade com a temperatura possibilita pesagens exatas mesmo em condições adversas de temperatura (de 0 a +50°C).

Principais aplicações

  • Pesagem de caçambas de veículos
  • Pesagem de máquinas agrícolas
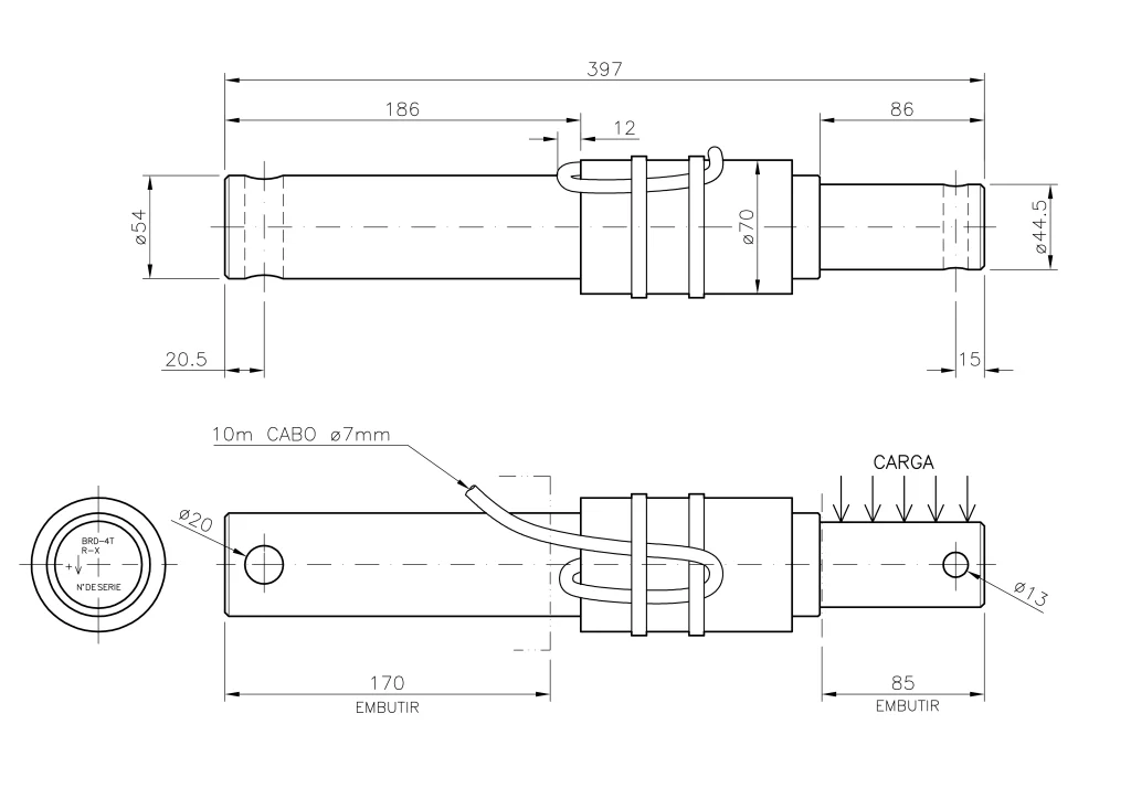
ESPECIFICAÇÕES
Capacidade Nominal – kg 4.000
Material Aço Carbono
Sensibilidade mV / V 1,0000 + / – 0,1%
Temperatura de Trabalho – 5 a + 60°C
Temperatura Compensada 0 a + 50°C
Máxima Sobrecarga % capacidade nominal 150
Sobrecarga de ruptura % capacidade nominal 300
Resistência Elétrica (Ω) E 490 + / – 10% S 350 + / – 3
Número de Divisões 2.000
Classe de Proteção IP 67
sdtoto sdtoto login akun toto sdtoto sdtoto bo togel sdtoto sdtoto sdtoto togel sdtoto slot sdtoto sdtoto sdtoto sdtoto sdtoto sdtoto sdtoto apk toto slot sdtoto daftar sdtoto sdtoto sdtoto sdtoto slot sdtoto sdtoto sdtoto sdtoto sdtoto sdtoto sdtoto sdtoto sdtoto togel sd toto sd toto rtp sdtoto togel 4d login sdtoto daftar sdtoto sdtoto login sd toto sdtoto login toto slot88 sdtoto daftar sdtoto login toto slot sdtoto sdtoto login rtp sdtoto sdtoto togel 4d login sdtoto sd toto sdtoto sdtoto slot sdtoto sdtoto slot sdtoto slot sdtoto sdtoto sdtoto 5 bandar togel terpercaya sdtoto sdtoto slot sdtoto sdtoto sdtoto sdtoto sdtoto sdtoto login sdtoto 5 bandar togel terpercaya akun toto sd toto agen darat togel sdtoto daftar sdtoto prediksi sdtoto sdtoto sdtoto sdtoto sdtoto sdtoto login sdtoto daftar sdtoto daftar prediksi sdtoto prediksi sdtoto sdtoto login prediksi sdtoto sdtoto sdtoto sdtoto daftar 5 bandar togel terpercaya sdtoto toto slot88 togel terpercaya bandar togel terpercaya toto slot88