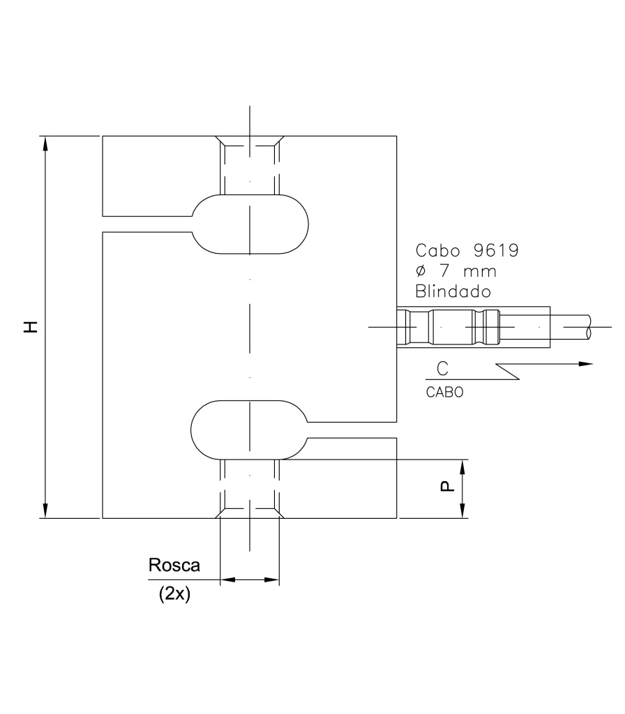
Célula de Carga - Z e ZX

A célula de carga Z possui tamanho compacto, construção muito robusta, cuidadosamente balanceada e mantém boa rejeição de cargas excêntricas, mesmo em condições adversas de operação.

Principais aplicações

  • Conversão de Balanças Rodoviárias mecânicas em eletrônicas
  • Balanças Híbridas (Eletro-Mecânicas)
  • Esforços de tração
  • Balanças suspensas
ESPECIFICAÇÕES
Capacidade Nominal – kg250 | 500 | 1.000 | 2.000 | 5.000
MaterialZ= Aço carbono | ZX = Inox
Sensibilidade mV / V2,0000 + / – 0,1%
Temperatura de Trabalho– 5 a + 60ºC
Temperatura Compensada 0 a + 50ºC
Máxima Sobrecarga % capacidade nominal 150
Sobrecarga de ruptura % capacidade nominal 300
Resistência Elétrica (Ω) E 490 + / – 10% S 350 + / – 3
Número de Divisões 10.000
Classe de ProteçãoIP 67
sdtoto sdtoto login akun toto sdtoto sdtoto bo togel sdtoto sdtoto sdtoto togel sdtoto slot sdtoto sdtoto sdtoto sdtoto sdtoto sdtoto sdtoto apk toto slot sdtoto daftar sdtoto sdtoto sdtoto sdtoto slot sdtoto sdtoto sdtoto sdtoto sdtoto sdtoto sdtoto sdtoto sdtoto togel sd toto sd toto rtp sdtoto togel 4d login sdtoto daftar sdtoto sdtoto login sd toto sdtoto login toto slot88 sdtoto daftar sdtoto login toto slot sdtoto sdtoto login rtp sdtoto sdtoto togel 4d login sdtoto sd toto sdtoto sdtoto slot sdtoto sdtoto slot sdtoto slot sdtoto sdtoto sdtoto 5 bandar togel terpercaya sdtoto sdtoto slot sdtoto sdtoto sdtoto sdtoto sdtoto sdtoto login sdtoto 5 bandar togel terpercaya akun toto sd toto agen darat togel sdtoto daftar sdtoto prediksi sdtoto sdtoto sdtoto sdtoto sdtoto sdtoto login sdtoto daftar sdtoto daftar prediksi sdtoto prediksi sdtoto sdtoto login prediksi sdtoto sdtoto sdtoto sdtoto daftar 5 bandar togel terpercaya sdtoto toto slot88 togel terpercaya bandar togel terpercaya toto slot88